English 网站地图
丹阳市新兴纺机专件厂  
服务热线:13806102285 0511-86358277
首页 产品展示 新闻中心 公司简介 公司设备 资历证书 在线订单 联系我们
纺机轴承,纺杯,阻捻头,活络通道,分梳辊
 
   转杯及结合件系列
   分梳辊系列
   活络通道系列
   压轮结合件系列
   减震套系列
   隔离盘,阻捻头系列
   BD200及FA601其他配件
   BD D30及TQF268其他配件
   AUTOCORO其他配件
   纺机轴承系列
   其他配件
 

 
当前位置:首页 > 产品展示
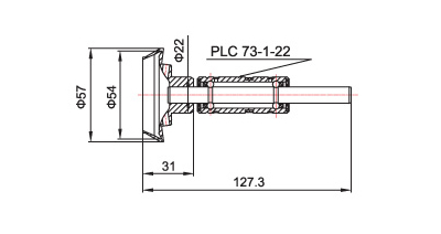
 转杯及结合件系列 >> AXF01-08
K54-PLC 73-1-22
For BD200,FA601/1603,
TQF168

转杯有自排风式和抽气式良两种,抽气式为主要发展方向。自排风式主要是低支以及含杂大、短纤维纱线。抽气式是适合高速、高产的纺纱,清洁效果好。

转杯的杯型对质量的影响很大,不同糟型纤维凝聚转态和杂质排除效果不同。幼低级棉时,G型杯槽型.上窄下宽,凝聚纤准不紧密,杂质不容易抛出,断头多; T彤杯成纱结构类似环锭纱,强力高、条干好、毛羽较少,凝聚夹角为45°,杂质易被高负压抽走,纺纱稳定性好。

 
  • 上一个产品: AXF01-07

  • 下一个产品: AXF01-09
  • 首页 产品展示 新闻中心 公司设备 联系我们 资历证书 公司简介 在线订单
    丹阳市新兴纺机专件厂主营;纺机轴承,纺杯,阻捻头,活络通道,分梳辊等产品,有兴趣的可以咨询我司。
     丹阳市新兴纺机专件厂  版权所有        电话:0511-86358277   86361180        地址:江苏省丹阳市新桥镇群益工业园  
    苏ICP备06026681
    Design by ZOUE